Verdrehsicherungsbügel

Für folgende Stellantriebstypen:
BN, BS, BE, BF, BT

Zur Befestigung des Antriebes.


Klicken Sie für eine vergrößerte Darstellung.


 

Bestell-Nummer
neu

Beschreibung

Bestell-Nummer
alt

E-AM-ARS165

Standard Verdrehsicherungsbügel - 165 mm, verzinkt

E-ARS

E-AM-ARS165M

Standard Verdrehsicherungsbügel - 165 mm, Spezial-Korrosionsschutz-Microcor

E-ARS2

E-AB-ARS205S

Verlängerter Verdrehsicherungsbügel - 205 mm, Edelstahl 1.4301

E-ARSL

E-AB-ARS260S

Verlängerter Verdrehsicherungsbügel - 260 mm, Edelstahl 1.4301

E-ARSL2

 

 

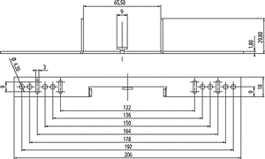
E-AB-ARS165, E-AB-ARS165M - Alle Angaben in mm

 

 

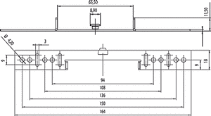
E-AB-ARS205S - Alle Angaben in mm

 

 

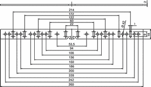
E-AB-ARS260S - Alle Angaben in mm

 

 


Klicken Sie für eine vergrößerte Darstellung.


Bestell-Nummer
neu

Beschreibung

Bestell-Nummer
alt

E-AB-ARS102

Verdrehsicherungsbügel für Zarge 102 mm, verzinkt

-

E-AB-ARS100S

Verdrehsicherungsbügel 100 mm,
Edelstahl 1.4301

-

E-AB-ARS102 - Alle Angaben in mm



E-AB-ARS100S - Alle Angaben in mm

zurück


Webdesign und TYPO3 by p2 media